DNF - mit Schaltplan - VHDL


(C) David Vajda
Thu Dec 26 14:10:36 2024
3 Network - TTL - Disjunktive Normalform

 x2 x1 x0 y
 0 0 0 0 0
 1 0 0 1 1
 2 0 1 0 1
 3 0 1 1 0
 4 1 0 0 0
 5 1 0 1 1
 6 1 1 0 0
 7 1 1 1 1

 x2 x1 x0 y
 1 0 0 1 1
 2 0 1 0 1
 5 1 0 1 1
 7 1 1 1 1

 x2 x1 x0 y
Gruppe 1:
 1 0 0 1 1
 2 0 1 0 1
Gruppe 2:
 5 1 0 1 1
Gruppe 3:
 7 1 1 1 1

1:5 - 0 1
2 0 1 0
5:7 1 - 1

 1 2 5 7
1:5 + +
2 +
5:7 + +

1:5 - 0 1
2 0 1 0
5:7 1 - 1

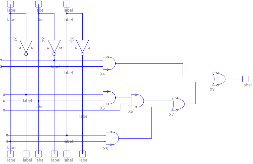
 y <= (not x1 and x0) or
 (not x2 and x1 and not x0) or
 (x2 and x0);
 y <= not (
 (x1 or not x0) and
 (x2 or not x1 or x0) and
 (not x2 or not x0)
 );

library ieee;
use ieee.std_logic_1164.all;

entity quine3_ttl_20241226 is
port (
 x2, x1, x0: in std_logic;
 y: out std_logic
);
end;

architecture behaviour of quine3_ttl_20241226 is
begin
 y <= (not x1 and x0) or
 (not x2 and x1 and not x0) or
 (x2 and x0);
end;

library ieee;
use ieee.std_logic_1164.all;

entity quine3_ttl_20241226testbench is
port (
 y: out std_logic
);
end;

architecture behaviour of quine3_ttl_20241226testbench is
 component quine3_ttl_20241226
 port (
 x2, x1, x0: in std_logic;
 y: out std_logic
 );
 end component;
 signal x2,x1, x0: std_logic;
begin
 q: quine3_ttl_20241226 PORT MAP (x2=>x2, x1=>x1, x0=>x0, y=>y);

Image quine2024126