Nächste Seite:
./vhdl20250304/quine20250129.txt
Aufwärts:
pics
Vorherige Seite:
./vhdl20250304/quine20250125.vhdl
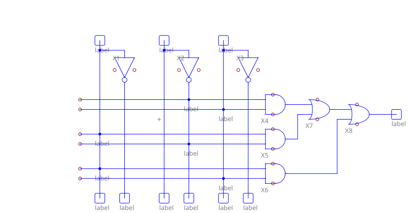
quine20250129.png