quine20250113.txt


(C) David Vajda
Mon Jan 13 09:45:33 2025
3 Network - TTL - Disjunktive Normalform

	x2	x1	x0		y
 0	0	0	0		0
 1	0	0	1		1
 2	0	1	0		0
 3	0	1	1		0
 4	1	0	0		0
 5	1	0	1		0
 6	1	1	0		0
 7	1	1	1		1


	x2	x1	x0		y
 1	0	0	1		1
 7	1	1	1		1

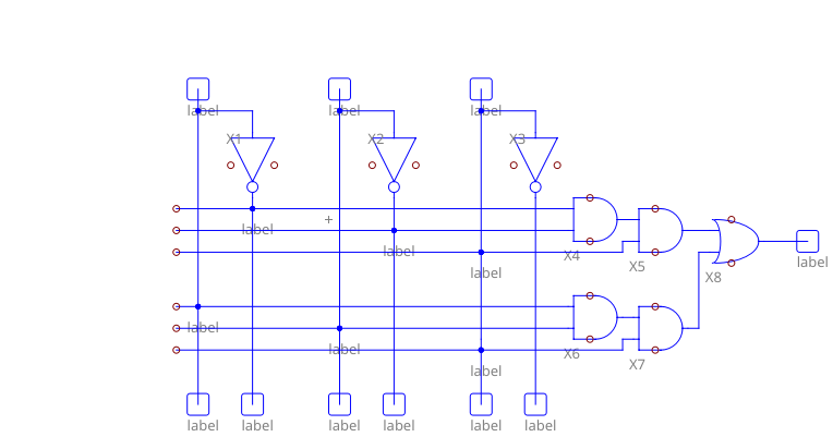
	y	<=	(not x2 and not x1 and x0) or
			(x2 and x1 and x0);

library ieee;
use ieee.std_logic_1164.all;

entity quine20250113 is
port (
	x2, x1, x0: in std_logic;
	y: out std_logic
);
end;

architecture behaviour of quine20250113 is
begin
	y	<=	(not x2 and not x1 and x0) or
			(x2 and x1 and x0);
end;

library ieee;
use ieee.std_logic_1164.all;

entity quine20250113testbench is
port (
	y: out std_logic
);
end;

architecture behaviour of quine20250113testbench is
	component quine20250113
	port (
		x2, x1, x0: in std_logic;
		y: out std_logic
	);
	end component;
	signal x2, x1, x0: std_logic;
begin
	q: quine20250113 PORT MAP (x2=>x2, x1=>x1, x0=>x0, y=>y);

Image quine20250113

Image IMG_5844

Image IMG_5845

Image IMG_5846

Image IMG_5848

Image IMG_5849

Image IMG_5850

Image IMG_5851

Image IMG_5852

Image IMG_5853

Image IMG_5854

Image IMG_5855

Image IMG_5856

Image IMG_5857

Image IMG_5858

Image IMG_5859

Image IMG_5860

Image IMG_5861

Image IMG_5862

Image IMG_5863

Image IMG_5864

Image IMG_5865

Image IMG_5866

Image IMG_5867

Image IMG_5868

Image IMG_5870

Image IMG_5871

Image IMG_5872

Image Screenshot_20250113_061413

Image Screenshot_20250113_095331