quine20250111.txt


(C) David Vajda
Sat Jan 11 10:13:00 2025
3 Network - TTL - Disjunktive Normalform

	x2	x1	x0		y
 0	0	0	0		0
 1	0	0	1		1
 2	0	1	0		1
 3	0	1	1		1
 4	1	0	0		1
 5	1	0	1		0
 6	1	1	0		1
 7	1	1	1		0


	x2	x1	x0		y
 1	0	0	1		1
 2	0	1	0		1
 3	0	1	1		1
 4	1	0	0		1
 6	1	1	0		1


	x2	x1	x0		y
Gruppe 1:
 1	0	0	1		1
 2	0	1	0		1
 4	1	0	0		1
Gruppe 2:
 3	0	1	1		1
 6	1	1	0		1


1:3			0	-	1
2:3			0	1	-
2:6			-	1	0
4:6			1	-	0

		1	2	3	4	6
1:3		+		+
2:3			+	+
2:6			+			+
4:6					+


		1	2	3	4	6
1:3		+		+
2:6			+			+
4:6					+

1:3			0	-	1
2:6			-	1	0
4:6			1	-	0


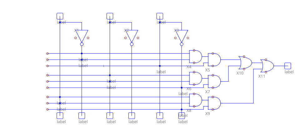
	y	<=	(not x2 and x0) or
			(x1 and not x0) or
			(x2 and not x0);

library ieee;
use.ieee.std_logic_1164.all;

entity quine20250111 is
port (
	x2, x1, x0: in std_logic;
	y: out std_logic
);
end;

architecture behaviour of quine20250111 is
begin
	y	<=	(not x2 and x0) or
			(x1 and not x0) or
			(x2 and not x0);
end;

library ieee;
use.ieee.std_logic_1164.all;

entity quine20250111testbench is
port (
	y: out std_logic
);
end;

architecture behaviour of quine20250111testbench is
	component quine20250111
	port (
		x2, x1, x0: in std_logic;
		y: out std_logic
	);
	end component;
	signal x2, x1, x0: std_logic;
begin
	q: quine20250111 PORT MAP (x2=>x2, x1=>x1, x0=>x0, y=>y);

Image quine20250111