Nächste Seite:
Zustandsminimierung
Aufwärts:
Übungen
Vorherige Seite:
MIPS 32 - 2024-12-11
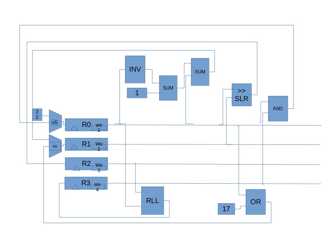
Komplexe Schaltwerk Übung