Fr 25. Apr 17:19:27 CEST 2025 - quineexcstd tex


 
\begin{verbatim}
(C) David Vajda
Wed Apr 23 10:37:54 2025
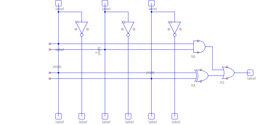
3 Network - TTL - Disjunktive Normalform

    x2    x1    x0        y
 0    0    0    0        0
 1    0    0    1        0
 2    0    1    0        0
 3    0    1    1        0
 4    1    0    0        0
 5    1    0    1        1
 6    1    1    0        0
 7    1    1    1        0
\end{verbatim}

Image quine20250424

Image Screenshot_20250424_141025

Image Screenshot_20250424_141035