quine20250327.vhdl

Image quine20250327

Videos zu TTL schaltungen - bitte bringen sie sie selbst mti der richtigen reihenfolge in verbindung

Bilder zu TTL schaltungen - bitte bringen sie sie selbst mti der richtigen reihenfolge in verbindung


-- (C) David Vajda
-- Thu Mar 27 08:50:49 2025
-- 3 Network - TTL - Disjunktive Normalform

library ieee;
use ieee.std_logic_1164.all;

entity quine20250327 is
port (
	x2, x1, x0: in std_logic;
	y: out std_logic
);
end;

architecture behaviour of quine20250327 is
begin
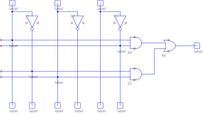
	y	<=	(x2 and not x0) or
			(not x2 and x1);
end;

library ieee;
use ieee.std_logic_1164.all;

entity quine20250327testbench is
port (
	y: out std_logic
);
end;

architecture behaviour of quine20250327testbench is
	component quine20250327
	port (
		x2, x1, x0: in std_logic;
		y: out std_logic
	);
	end component;
	signal x2, x1, x0: std_logic;
begin
	q: quine20250327 PORT MAP (x2=>x2, x1=>x1, x0=>x0, y=>y);
	x0 <= '0' after 0 ns, '1' after 10 ns, '0' after 20 ns, '1' after 30 ns, '0' after 40 ns, '1' after 50 ns, '0' after 60 ns, '1' after 70 ns, '0' after 80 ns;

	x1 <= '0' after 0 ns, '0' after 10 ns, '1' after 20 ns, '1' after 30 ns, '0' after 40 ns, '0' after 50 ns, '1' after 60 ns, '1' after 70 ns, '0' after 80 ns;

	x2 <= '0' after 0 ns, '0' after 10 ns, '0' after 20 ns, '0' after 30 ns, '1' after 40 ns, '1' after 50 ns, '1' after 60 ns, '1' after 70 ns, '0' after 80 ns;
end;