Nächste Seite:
/media/sda-magnetic/david/Dokumente-16-2024-08-01/informatikUmathematik/graph20240815html2/removebadchar.sh
Aufwärts:
elektrotechnik 02/11/2026
Vorherige Seite:
/media/sda-magnetic/david/Dokumente-16-2024-08-01/informatikUmathematik/graph20240815html2/nextcloud/test9-1.jpg
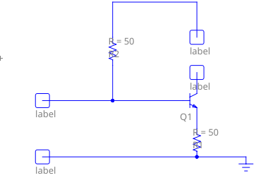
/media/sda-magnetic/david/Dokumente-16-2024-08-01/informatikUmathematik/graph20240815html2/nextcloud/verstaerker20240331.png